万宁切换分站 您好!欢迎访问苏州威尔达焊接设备有限公司网站!
苏州威尔达焊接设备有限公司----------让工业焊接更轻松!
全国咨询热线: 13915583428

联系我们

【 微信扫码咨询 】

13915583428

  • 联系人:陈经理
  • 公司地址:苏州市相城区北桥镇生态路8号万企创意园A栋三楼
  • 中频逆变焊接电源

    精密点焊机用逆变焊接电源IP-4000C 特点 WEIERDA|苏州威尔达逆变焊接电源IP-4000C 产品特点一体式的设计,方便日常管理和使用。具备63种焊接规范的设高亮的LCD屏显示,美观易懂。采用四键设置规范参数,极易上手操作。实时监测焊接电流值。对输出电流

    在线咨询全国咨询热线
    13915583428

    精密点焊机用逆变焊接电源IP-4000C  特点      WEIERDA|苏州威尔达


     逆变焊接电源IP-4000C 产品特点 

    一体式的设计,方便日常管理和使用。 

    具备63种焊接规范的设 

    高亮的LCD屏显示,美观易懂。 

    采用四键设置规范参数,极易上手操作。 

    实时监测焊接电流值。 

    对输出电流采用上下限设置,电流异常报警功能,确保了焊接品质。 

    焊接电流精准控制,适用于细小产品的焊接。 

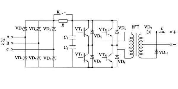
    逆变焊接电源IP-4000C逆变原理图:

    逆变焊接电源IP-4000C产品优势 

    直流方波输出,可设置电流缓升缓降,波形平整,逆变频率2K-8K可以根据客户需求定制,无交流过零点电流不连续的缺陷,热量集中,提高了焊接热效应。 

    由32位单片机控制,具有初级定电流,次级定电流,定电压,定功率,定脉宽占空比,同时对电流,电压,功率,电阻,占空比进行监控。 

    采用目前主流的桥式逆变技术,稳定节能可靠。 

    具有电流异常,监控值超限,过热等报警,并且通过I/O输出,提高焊接品质。 

    硬件自我保护功率,本公司所设计的产品,均采用厚膜保护,外部异常情况下,智能切换IGBT模块的驱动信号,增强系统保护功率。 

    多段多次加热设定,电流缓升缓降功能,中间冷却功能,多段重复功率,适合复杂焊接过程,复杂功率的需求。 

    63组参数存储,方便多种焊接品种的使用 

    强大的外部通讯功能:外部PLC可以通过8421码调用任何一组程序,  具有焊接结束,故障,计数,良品与不良品判断,RS232数据通讯接口,适合自动化焊接。 

    强大的数据处理功能,采用目前市场最快的32位ARM芯片,外加逻辑处理器控制,比同行业用的PIC芯片快至少200倍。 

    响应速度快,采用了1K,4K,8KHZ的逆变频率,有交流和储能焊机从原理上无法超越的优势,同时也远远领先国内其他同行。 


    焊接实例:


    线圈电感点焊

    逆变焊接电源/线束焊接

    逆变焊接电源焊接电阻

    精密逆变点焊机

    逆变焊接电源IP-4000C功率参数:

    型号输入电压额定功率最大输出电流控制模式负载持续率逆变频率
    IP-4000C交流380V12KVA4000A定电流/定电压/定功率7%1k-8k根据客户要求
    焊接循环时段焊接脉冲数电流缓升缓降存储焊接规范数外形尺寸(mm)重量
    20263172*480*269(电源)
    195*400*180(变压器)
    12KG(电源)
    15KG(变压器)


    
    在线客服
    联系方式

    热线电话

    13915583428

    上班时间

    周一到周六

    公司电话

    13915583428

    二维码
    线